Obrotomierz jako gadżet do motocykla zabytkowego, nie zawsze pasuje stylistycznie ale często przydaje się w fazie testów i regulacji. Niektórzy nawet wolą mieć obrotomierz niż prędkościomierz.
Klasyczne obrotomierze napędzane były linką bezpośrednio z silnika i nie każdy motocykl posiadał take urządzenie. Dołożenie mechanicznego obrotomierza nie zawsze jest opłacalne, wiąże się z przeróbkami motocykla. Współcześnie produkowane zegary do motocykli są w pełni sterowane elektrycznie, zastosowanie takiego gadżetu jak obrotomierz dzięki temu staje się o wiele prostsze.
Poniżej zamieściłem krótką relację z testów takiego obrotomierza doposażonego w elektroniczny układ formowania impulsów.
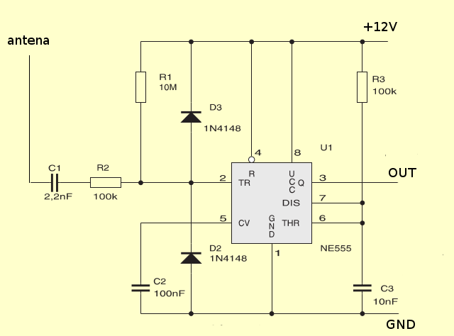
Układ elektroniczny formujący impulsy wykonałem zgodnie ze schematem zamieszczonym poniżej. Dla celów testowych dodałem diodę świecącą na wyjściu OUT, którą było widać na powyższym filmie.

Elementy C1 i R2 mają wpływ na czułość układu. Czym mniejsza pojemność kondensatora C1 i większa oporność R2 tym układ będzie mniej czuły.
Podłączenie tego układu do obrotomierza wymaga jedynie zlokalizowania 3 pinów: + zasilania, masa, wejście impulsów. Oczywiście +12V należy podłączyć do + zasilania, GND podłączyć do masy motocykla a OUT wprowadzić w odpowiedni pin zegara-obrotomierza.
Dużą wadą takiego obrotomierza jest jego mała odporność na zakłócenia elektromagnetyczne generowane przez przewód wysokiego napięcia. Gdy zbliżałem ten obrotomierz do cewki zapłonowej jego wskazania przestawały być stabilne, momentami pokazywał podwojone obroty. Najprawdopodobniej już w przewodach pomiędzy samym zegarem a kostkami pojawiały się impulsy wpływające na brak poprawnych wskazań, wniosek jest taki, że dobrze aby taki obrotomierz był jak najdalej od przewodów WN oraz dobrze ekranowany osłoną z blachy.
Kolega przysłał mi inny elektroniczny obrotomierz, który miałem przestestować z moim modułem zapłonowym. Test wykonałem w 2 wariantach podłączenia.
Wariant pierwszy to sterowanie bezpośrednio z czujnika halla mojego modułu zapłonowego. Przewód sterujący wpiąłem bezpośrednio do wyjścia czujnika Halla, gdzie jest napięcie prostokątne o wartości 5V. Test pokazał, że układ wejściowy obrotomierza w ogóle nie wpłynął na praceę mojego zapłonu.
Wariant drugi to podłączenie obrotomierza bezpośrednio do cewki zapłonowej. W tej opcji ten obrotomierz można zastosować w dowolnym motocyklu, w którym pojawia się jedna iskra na jeden obrót wału korbowego. Będzie działał w MZ, WSK, M72, K750, Dnieprze, Uralu a nawet i w Junaku o ile będzie wyposażony w taki zapłon jak mój lub podobny.
Poniżej zamieściłem krótki film z testów, miłego oglądania.
Ostatnia aktualizacja: 2023/03/06 21:07